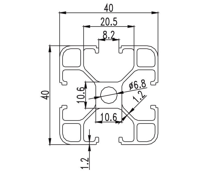
LE-5-1040铝型材
2022-05-12
服务热线:18890022549
湖南天生赢家凯发一触即发科技股份有限公司
电话:0731-85833986
地址:湖南长沙经济技术开发区 东十二路132号
立即扫码微信 了解最新资讯
产品分类: 40系列
型材:40x40(单位:mm)
材料:铝 (6063-T5)
单位质量:1.08kg/m
长度:6.02m
用途:适用于大应力、高强度、支撑要求高的重载结构的框架组合,铝型材工作台等
足厚●高承载
专业结构设计
有效降低成本50%
100 + 型材选品
200 + 连接方案
配件齐全
快速交付
精准切割
专车送货
9年行业经验
工程师在线服务
可上门测绘/安装


车间隔断

机器人围栏框架

自动化流水线

工作台

货架货柜

车间白板架

踏步梯

检修平台

自动化设备
更多海量应用案例请联系天生赢家凯发一触即发铝业!

工业铝型材源头厂家,荣获“高新技术企业”称号,通过了ISO9001质量管理体系认证
在不断提高生产技艺的同时不断引进先进加工设备(拥有6.5米超长CNC、龙门铣,激光切割机、折弯机、冲床、数控双泵压铆机,铣床,